Поддержание заданной производительности вентилятора в сети
Вентилятор выбирается на заданную производительность по воздуху, которую он должен обеспечивать при работе в составе приточной или вытяжной установки, вентиляционной системы. Производительность задается проектировщиком. Какими методами можно обеспечить заданный режим работы вентилятора по производительности? Какие проблемы возникают? На эти вопросы мы ответим в настоящей статье.
Поддержание заданной производительности вентилятора в сети
Вентилятор выбирается на заданную производительность по воздуху, которую он должен обеспечивать при работе в составе приточной или вытяжной установки, вентиляционной системы. Производительность задается проектировщиком.
Какими методами можно обеспечить заданный режим работы вентилятора по производительности? Какие проблемы возникают? На эти вопросы мы ответим в настоящей статье.
![]() |
Основные методы обеспечения заданного режима работы вентилятора по производительности
Известны следующие основные методы вывода вентилятора на требуемый режим по производительности в составе вентиляционной сети: дросселирование (искусственное введение в сеть дополнительного аэродинамического сопротивления), использование перед вентилятором входного направляющего аппарата, применение шкивоременной передачи между электродвигателем и вентилятором, использование частотного привода.
Дросселирование позволяет только увеличивать аэродинамическое сопротивление сети. Поэтому вентилятор должен быть подобран с некоторым запасом давления, чтобы он исходно вышел на несколько бóльшую производительность, чем расчетная. Этот метод очень часто используется на практике, однако он может оказаться очень затратным по потерям мощности.
Входной направляющий аппарат, в случае радиальных вентиляторов, позволяет только понижать аэродинамическую характеристику вентилятора, и поэтому исходно вентилятор также должен быть подобран с некоторым запасом давления для регулирования.
В случае осевых вентиляторов входной направляющий аппарат позволяет не только понижать, но и повышать в некоторых пределах аэродинамическую характеристику вентилятора. Следовательно, возможно не только снижение, но и повышение производительности вентилятора в сети. Для этого, однако, потребуется соответствующий запас установочной мощности вентилятора.
В целом входной направляющий аппарат является более эффективным устройством регулирования положения рабочей точки вентилятора в сети.
Шкивоременная передача позволяет, в принципе, обеспечить требуемую производительность вентилятора в сети подбором соответствующего соотношения диаметров ведущего и ведомого шкивов, то есть подбирается частота вращения рабочего колеса. Проблема в том, что это трудоемкий процесс. Чтобы упростить эти проблемы, вместо шкивоременной передачи используется частотный привод, который решает те же задачи, но проще в применении и легко перестраивается на требуемую частоту вращения рабочего колеса. Надо помнить только, что повышение частоты вращения выше расчетной исходной требует запаса мощности электродвигателя, допустимости работы электродвигателя и рабочего колеса на необходимых повышенных частотах. Особенность этого метода состоит в том, что, по законам аэродинамического подобия, производительность вентилятора пропорциональна частоте вращения, а полное давление вентилятора и сопротивление сети пропорциональны квадрату частоты вращения. Таким образом, изменение частоты вращения рабочего колеса хотя и приводит к изменению производительности и давления вентилятора, но положение рабочей точки на безразмерной аэродинамической характеристике вентилятора при этом не меняется. Это означает, что если вы исходно подобрали вентилятор так, что рабочая точка находится вне зоны высоких значений КПД, то регулирование частоты вращения не приведет к изменению первоначально выбранного значения КПД. Иначе говоря, применение частотного привода не устраняет проблемы правильного выбора типоразмера вентилятора и его рабочей точки.
Возникающие проблемы
Перейдем к рассмотрению проблем.
1. Первые проблемы возникают при наладке вентиляционной системы.
Приточные (или вытяжные) установки в составе вентиляционной системы при наладке требуют настройки на режим заданной производительности. Это достаточно сложный процесс, поскольку любые изменения аэродинамических сопротивлений элементов системы приводят к перераспределению расходов воздуха в системе и изменению режима работы вентилятора приточной установки по производительности. Практически при установке режимов работы, например, раздающих воздух устройств, клапанов и т. п., будет меняться сопротивление сети и, соответственно, режим работы вентилятора и других раздающих устройств. Поэтому процесс наладки сети есть процесс последовательных наладок-приближений к требуемому режиму. Он требует достаточно высокого уровня подготовки наладчиков, специальных приборов и умения ими грамотно пользоваться, значительного времени на проведение измерений и наличия в системе воздуховодов мест, где можно надежно измерить производительность установки или какой-либо ее ветви.
2. В процессе эксплуатации приточной системы происходит постепенное засорение воздушного фильтра (такая же ситуация возможна и в вытяжной системе при наличии в ней фильтра), что приводит к увеличению его аэродинамического сопротивления и, соответственно, к снижению производительности вентилятора приточной установки, по сравнению с первоначальным расчетным (рис. 1). Изменение производительности будет, конечно, зависеть от крутизны аэродинамической характеристики вентилятора вблизи рабочей точки. На заданной производительности установка будет работать только первоначально, при чистом фильтре.
![]() |
Рисунок 1. Положение рабочей точки на характеристике вентилятора при трех вариантах сопротивления сети (отличаются потерями давления на фильтре) |
В рамках этого пункта отметим также, что проектировщик не всегда в расчетах задает аэродинамическое сопротивление чистого фильтра. Мы часто сталкиваемся с ситуациями, когда в задании сопротивление фильтра выбирается повышенное, с учетом частичного засорения, для того чтобы учесть дополнительное аэродинамическое сопротивление частично засоренного фильтра при выборе давления вентилятора. Например, аэродинамическое сопротивление чистого фильтра на расчетном режиме составляет 50 Па. В качестве предельного засорения фильтра рекомендуется, например, принимать 150 Па. Проектировщик принимает расчетное сопротивление фильтра 100–150 Па, чтобы обеспечить заданную производительность даже при засоренном фильтре. К чему это приводит?
Это приводит к тому, что вентилятор подбирается на более высокое давление, чем в случае чистого фильтра. Когда установка встроена в сеть и начинается наладка, воздушный фильтр еще чистый и имеет аэродинамическое сопротивление 50 Па. В процессе наладки вентиляционная система приводится к режиму требуемой производительности, как правило, путем введения в систему дополнительного аэродинамического сопротивления (поскольку вентилятор имеет запас давления на засорение фильтра) или снижением частоты вращения вентилятора с помощью частотного привода (если он используется в системе). А далее, в процессе эксплуатации вентиляционной системы аэродинамическое сопротивление фильтра будет возрастать и производительность вентилятора будет снижаться. Если частотный привод в системе есть, то возможно компенсировать потерю производительности, но надо знать, на сколько. Если же частотного привода в системе нет, то закладывать запас по давлению вентилятора практически бесполезно, поскольку вряд ли кто-либо будет периодически переналаживать систему.
3. Если аэродинамическое сопротивление вентиляционной системы в процессе работы меняется по каким-либо причинам (открываются окна или двери, открывается/закрывается часть приточных/вытяжных решеток), это также сопровождается изменением производительности вентилятора. Кроме того, например, режимы работы вентиляционной системы по производительности требуется менять по заданному графику в течение суток или по технологии.
Схема автоматического поддержания заданной производительности вентилятора
Из изложенного выше можно заключить, что если правильно выбрать вентилятор и укомплектовать его частотным приводом, то полезно было бы легко и эффективно управлять производительностью вентилятора и, соответственно, системы. В частности, поддерживать заданную проектом производительность.
Задача поддержания производительности не является новой. Некоторые зарубежные изготовители вентиляторов делают на входном коллекторе вентилятора дренажи для измерения разрежения и, соответственно, производительности вентилятора. Входной коллектор является очень подходящим устройством для измерения производительности, поскольку весь воздух проходит через вентилятор и в суженной части коллектора происходит ускорение потока и выравнивание профиля скоростей, что повышает точность результатов измерений. Коллектор должен быть оттарирован, то есть должна быть получена зависимость производительности через него от разрежения в нем. Такие зависимости приведены в каталогах ряда зарубежных производителей вентиляторов. На вентиляторах закладывают необходимые измерительные точки, и из корпуса выводят необходимые трубки. То есть понятно, где измерять производительность системы. Важно решить, как использовать эти данные для управления производительностью.
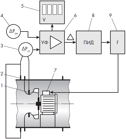
Для автоматического поддержания заданной производительности вентилятора по воздуху или для регулирования производительности по заданному алгоритму может быть использовано устройство, функциональная схема которого показана на рис. 2.
![]() |
Рисунок 2. Схема автоматического поддержания заданной производительности вентилятора в составе вентиляционной системы: |
Схема работает следующим образом. Предварительно пользователь устанавливает на приборе заданную производительность вентилятора по воздуху. Этому соответствует формирование сигнала опорного давления на коллекторе, который в дальнейшем используется схемой сравнения. Разность давлений перед вентилятором и в измерительном коллекторе вентилятора подается на вход дифференциального датчика давления, на выходе которого вырабатывается сигнал электрического напряжения, пропорциональный измеренной разности давлений. Этот сигнал поступает на вход усилителя-формирователя и схему сравнения, где производится сравнение измеренного давления в коллекторе и заданного опорного сигнала (соответствующего требуемой производительности вентилятора). Сигнал ошибки расхода воздуха поступает на вход ПИД-регулятора, формируется там соответствующим образом и далее подается на управляющий вход частотного привода, связанного с электродвигателем вентилятора. Значение реальной производительности вентилятора отображается на цифровом индикаторе устройства.
Аналогичная схема используется, например, в многоквартирных зданиях для поддержания заданного давления в системе подачи воды; однако, в отличие от рассматриваемого случая, объектом регулирования является давление воды в системе. В частности, выпускаются частотные приводы с ПИД-регулятором, максимально адаптированные для решения таких задач регулирования. Однако система регулирования для замыкания требует усилий специалиста для дополнения необходимыми элементами и построения правильного алгоритма работы и контроля.
Некоторые производители начали выпуск полностью законченных устройств регулирования, для применения которых необходим только правильный выбор по параметрам частотного привода. Такое устройство может быть настроено на проектную производительность конкретного оборудования в условиях завода-изготовителя и позволяет поддерживать и контролировать заданную производительность при изменении сопротивления сети по тем или иным причинам. Например, в процессе наладки, при исходно неизвестном сопротивлении сети, вентилятор автоматически выйдет на режим заданной производительности (при физической реализуемости такого режима) и этот режим будет поддерживаться в процессе наладки сети.
При необходимости в условиях применения можно изменить заданную производительность вентилятора в допустимых для конкретного вентилятора пределах. Кроме того, в системе должна быть предусмотрена защита электродвигателя и защита от недопустимых режимов работы и несанкционированных действий. Устройство автоматического поддержания заданной производительности вентилятора по воздуху должно работать как полностью автономно, так и в составе системы управления вентиляционной установкой.
Статья опубликована в журнале “АВОК” за №7'2010
Статьи по теме
- Эффективная работа вентиляторов в системах вентиляции
АВОК №2'2007 - Требования к оборудованию и материалам систем вентиляции предприятий общественного питания в фуд-кортах
АВОК №5'2020 - Вентиляция кухонь предприятий общественного питания: проблемы и решения
АВОК №5'2019 - Первый российский канальный вентилятор
АВОК №7'2005 - Эксплуатация и техническое облуживание крышных кондиционеров
АВОК №5'1998 - Перспективы развития систем отопления, вентиляции, кондиционирования воздуха в великобритании
АВОК №3'2000 - Воздушный режим высотного жилого здания в течение года Часть 2. Воздушный режим при механической вытяжной вентиляции
АВОК №1'2005 - Непрерывный мониторинг качества внутреннего воздуха в школьных зданиях
АВОК №8'2005 - Подземные автостоянки. Вентиляция и противодымная защита при пожаре
АВОК №6'2006 - Инженерные решения высотных жилых комплексов
АВОК №5'2007
Подписка на журналы
















