Системы автоматизации и безопасность здания
В настоящей статье на примере конкретного объекта более подробно рассматриваются возможности реализации системы климатизации, обеспечивающей безопасность людей в условиях чрезвычайной ситуации.
Системы автоматизации и безопасность здания
Возможности реализации автоматизированной системы управления для обеспечения безопасности людей в условиях чрезвычайных ситуаций
В журнале «АВОК», № 8, 2006 года была опубликована статья «Системы автоматизации и безопасность здания. Аспекты использования системы автоматизации для обеспечения технологической безопасности зданий». В ней рассматривалась идеология построения системы климатизации, обеспечивающей требуемые параметры микроклимата в помещениях в условиях экстраординарных внешних воздействий. Было отмечено, что наиболее полно подобные системы реализованы в различного рода убежищах (например, объектах ГО). Поэтому рассмотрение этих объектов представляет интерес с точки зрения использования подобных технических решений на гражданских объектах высокой значимости или, например, связанных с пребыванием большого количества людей.
В настоящей статье на примере конкретного объекта более подробно рассматриваются возможности реализации системы климатизации, обеспечивающей безопасность людей в условиях чрезвычайной ситуации.
С точки зрения реализации системы жизнеобеспечения в инженерных системах объекта можно выделить ряд подсистем (рис. 1): вентиляция и кондиционирование воздуха, отопление, электроснабжение, теплоснабжение, водоснабжение и водоотведение, система сигнализации и связи. Часть этих подсистем находятся в пределах границ объекта, и подразумевается, что при сохранении целостности объекта они могут функционировать в автономном режиме. Часть подсистем находится за пределами объекта, что делает вероятным их повреждение в случае экстраординарного воздействия на объект. Для таких объектов необходимо предусматривать резервирование.
Так, например, наличие вентиляции и кондиционирования воздуха подразумевает, в свою очередь, наличие системы холодоснабжения. Холодильные станции используются встроенные в объект, то есть находящиеся в пределах защищенного периметра в границах объекта. В то же время часть оборудования, например, градирни, выносные конденсаторные блоки и т. д. располагаются вне пределов защищенного периметра объекта и, соответственно, могут быть повреждены в результате экстраординарного воздействия, имевшего место в ходе возникшей чрезвычайной ситуации. Поэтому в качестве резервного источника холодоснабжения предусматривается артезианская скважина, расположенная непосредственно в границах объекта и защищенная от внешних воздействий.
Температура воды, получаемой из артезианской скважины, относительно невысока, в наших условиях обычно около 7 °С в любое время года, поэтому, например, избыточные тепловыделения при работе дизелей дизель-генераторных установок и т. д. могут сниматься обычным протоком воды. Через систему обводных задвижек та же самая вода в качестве хладагента подается в охлаждающий контур системы кондиционирования воздуха.
Артезианская скважина используется и в качестве резервного источника хозяйственно-питьевого и технологического водоснабжения. Поскольку глубина залегания артезианских водоносных слоев составляет несколько сотен метров, использование ее для питьевых целей возможно даже в случае сильного наружного химического или радиационного загрязнения.
![]() |
Рисунок 1 (подробнее)
Инженерные системы объекта с точки зрения реализации системы жизнеобеспечения |
Система электроснабжения объекта должна быть независимой, то есть обеспечивать электроснабжение даже в случае прекращения подачи электрической энергии от внешних источников, что может иметь место, например, в случае повреждения наружных электросетей или трансформаторной подстанции. Все электроснабжение предусматривается по первой категории. Кроме того, имеются автономные резервные источники электроснабжения, находящиеся непосредственно в пределах защищенного объекта, которые будут обеспечивать электроснабжение даже при разрушении всей внешней инфраструктуры. Используются источники двух типов. Это источники бесперебойного питания (ИБП, используется также англоязычная аббревиатура UPS, Uninterruptable Power Supply) и дизель-генераторная установка (ДГУ).
ИБП включаются в работу при кратковременном прекращении подачи напряжения либо в случае выхода его параметров из установленного диапазона. ИБП позволяет защитить оборудование, так как даже кратковременное пропадание электроснабжения вызывает сбои в работе систем автоматики, связи, сигнализации и т. п.
Дизель-генераторная установка предусматривается во внутреннем исполнении. Включение ее в работу производится посредством устройства автоматического ввода резерва (АВР). Устройство АВР предназначено для автоматического переключения на резервное электропитание цепей освещения, автоматики и силового электрооборудования при прекращении основного электропитания. Для работы дизель-генераторной установки необходимо преду-смотреть отдельные запасы сжатого воздуха. С другой стороны, практически невозможно обеспечить работу дизель-генераторной установки в режиме регенерации кислорода, поэтому выброс выхлопных газов от работающего дизеля осуществляется за пределы объекта. После исчерпания запасов сжатого воздуха электроснабжение объекта предусматривается только за счет источников бесперебойного питания.
Кроме того, поскольку дизель-генераторные установки выполняются с водяным охлаждением, для охлаждения дизелей необходимо преду-смотреть подачу холодной воды.
Ниже подробно рассмотрена идеология построения одной из инженерных систем объекта – системы вентиляции и кондиционирования воздуха.
Основная задача любого подобного объекта – обеспечить максимальное «время живучести». При экс-траординарных воздействиях на объект с точки зрения проектирования систем климатизации с учетом того, что внешняя оболочка объекта способна защитить жизнь и здоровье людей от таких поражающих факторов, как взрыв (ударная волна), пожар, радиоактивное излучение и т. д., в качестве основной угрозы можно определить воздействие вредностей на органы дыхания и кожные покровы. Соответственно, основная задача системы жизнеобеспечения объекта – при возникновении чрезвычайных ситуаций предотвращение контакта определенного типа вредностей с органами дыхания и кожными покровами людей, находящихся внутри защищаемого объекта.
Для очистки приточного воздуха используются специальные фильтры, рассчитанные на определенные виды загрязнений. Поскольку не существует некоторого «универсального» фильтра, рассчитанного на все возможные виды загрязнений, то забор и обработка наружного воздуха предусматривается несколькими различными способами, то есть в зависимости от того, какая угроза исходит извне, система вентиляции и кондиционирования воздуха функционирует в одном из предусмотренных специальных режимов. Например, в режиме нормального функционирования, когда нет загрязнения наружного воздуха, воздух для притока подается через штатный воздуховод; при угрозе химической атаки наружный воздух подается в помещения через воздуховод, оборудованный специальными средствами химической очистки. При высокой концентрации загрязнений в наружном воздухе или при наличии вредностей, для которых не преду-смотрены фильтры, система может работать в режиме полной изоляции – в этом режиме используются специальные регенерирующие устройства для снижения концентрации диоксида углерода (углекислого газа, CO2).
На рассматриваемом объекте система вентиляции и кондиционирования воздуха может в зависимости от ситуации находиться в одном из четырех режимов. Выбор режимов осуществляется программным переключателем на центральном диспетчерском пункте по команде оператора. Предусмотрены следующие режимы:
1. Штатный режим.
2. 3. Режимы специальной фильтрации наружного воздуха.
4. Режим полной изоляции.
Для четвертого режима (режима полной изоляции) характерно возможное физическое уничтожение объектов, находящихся за пределами защищенных границ объекта, – наружного тепло-, водо- и электроснабжения, градирен, другого инженерного оборудования и т. п. В этом случае жизнеобеспечение объекта производится только за счет внутренних резервных систем. Время функционирования объекта в режиме полной изоляции определяется ресурсом указанных резервных систем.
На рис. 2 приведена схема одного из блоков системы вентиляции и кондиционирования воздуха, обеспечивающего требуемые параметры микроклимата в ряде помещений рассматриваемого объекта.
![]() |
Рисунок 2 (подробнее)
Схема одного из блоков системы вентиляции и кондиционирования воздуха объекта |
Приточный воздух забирается через воздухозаборное устройство. Для защиты от поражающего воздействия в случае возможного наружного взрыва сразу же после воздухозаборного устройства в приточном воздуховоде установлена противовзрывная защитная секция УЗС-1 с коробкой УЗ-3. Это устройство представляет собой металлическую решетку (секцию), к которой шарнирами крепятся жалюзийные металлические пластины. Под действием избыточного давления ударной волны пластины плотно прилегают к решетке, препятствуя тем самым прониканию ударной волны. После спада избыточного давления они под действием пружины возвращаются в первоначальное положение. Требуемое количество секций определяется расчетом в зависимости от потребного количества воздуха.
При работе в штатном режиме (рис. 3) гермоклапаны ГК1 и ГК2 находятся в открытом положении, остальные – в закрытом. Приточный воздух очищается посредством плоского ячейкового фильтра типа ФЯРБ и может быть предварительно подогрет в установке первичного подогрева, в биметаллическом спиральном калорифере КСкЗ-9, после чего подается на кондиционер К101. В этом же режиме может использоваться частичная рециркуляция из любых помещений.
![]() |
Рисунок 3 (подробнее)
Схема обработки воздуха в штат. режиме |
Для приточной системы и кондиционера предусматривается защита калорифера систем от замораживания: при понижении температуры воздуха перед калорифером ниже 3 °С и температуры обратного теплоносителя ниже 25 °С выдается сигнал на отключение систем, за-крытие заслонок клапанов наружного воздуха, клапан на обратном теплоносителе не закрывается.
В штатном режиме объем притока в помещения обслуживаемого объекта равен объему вытяжки. В нештатных режимах объем подаваемого в помещения обработанного (очищенного) воздуха превышает объем вытяжного воздуха, в результате чего в обслуживаемом помещении создается избыточное давление для того, чтобы исключить попадание вредностей из внешней среды за счет инфильтрации. Подобный подход используется в медицинских учреждениях, в частности в операционных. В режиме рециркуляции в обслуживаемых помещениях объекта также должно поддерживаться избыточное давление. При необходимости для поддержания избыточного давления в этом режиме может быть предусмотрено использование аварийных запасов сжатого воздуха. Для поддержания избыточного давления в обслуживаемых помещениях устанавливаются датчики давления, откалиброванные на превышение давления относительно атмосферного на величину порядка 5–8 Па. Даже если произойдет разгерметизация, автоматика будет стараться поддерживать заданный перепад давлений. Для этого также необходимо использование инверторного управления в приводах вентиляционных агрегатов.
В качестве аварийного используются запасы сжатого воздуха. Здесь используется обычный атмосферный воздух.
Для изоляции помещений устанавливаются гермодвери. Предусмотрена изоляция как всего объекта от внешней среды (герметизация внеш-него периметра), так и внутренняя герметизация отдельных помещений (групп помещений). Это позволяет изолировать помещения, в которых нарушена герметичность внешнего периметра, либо минимизировать объем для увеличения «времени живучести» объекта.
В режиме 2 (рис. 4, 5) приточный воздух предварительно очищается посредством фильтра ФЯРБ и подогревается в калорифере КСкЗ-9 так же, как и в штатном режиме, но затем через гермоклапан ГК3 направляется в дополнительную секцию очистки. В этой секции сначала производится предварительная очистка воздуха от пыли и грубодисперсных аэрозолей посредством пакетного предфильтра ПФП-1000, а затем окончательно обрабатывается фильтром-поглотителем ФП-300-3. Предусмотрена как возможность замены фильтрующих элементов каждого фильтра, так и возможность обработки воздуха в одной из двух независимых магистралей. В данном случае одна из магистралей считается резерв-ной, и в ней из-за архитектурно-планировочных ограничений установлено меньшее число фильтров.
![]() |
Рисунок 4 (подробнее)
Схема обработки воздуха в режиме 2 |
![]() |
Рисунок 5 (подробнее)
Функциональная схема режима 2 |
После очистки воздух посредством вентиляционных агрегатов П101 и П101А, также оснащенных приводом с инверторным управлением, подается в кондиционер К101.
В приводах вентиляционных агрегатов используется инверторное управление. Фильтры специальной очистки имеют, как правило, достаточно высокое аэродинамическое сопротивление (у некоторых типов фильтров-поглотителей рабочее сопротивление составляет 500–1 000 Па). В штатном режиме специальные фильтры не используются, соответственно, общее аэродинамическое сопротивление системы воздухорас-пределения невелико. В зависимости от вида чрезвычайной ситуации в работу могут включаться разные комбинации фильтров, в результате чего указанное сопротивление может существенно меняться. Кроме того, по мере загрязнения фильтра его сопротивление возрастает, причем диапазон рабочих сопротивлений достаточно широкий. Для того чтобы обеспечить постоянную величину требуемого воздушного напора, в воздушных контурах во всех этих случаях устанавливаются высоконапорные вентиляторы, оснащенные приводами с инверторным управ-лением.
Фильтры, как правило, резервируются с точки зрения возможной замены в случае исчерпания ресурса. Для этого обеспечивается возможность изолирования данных фильтров от воздушного контура посредством воздушных заслонок, гермоклапанов и т. д.
На некоторые виды фильтров есть ограничения, связанные с ограниченным ресурсом их работы. В связи с этим такие фильтры включаются в работу только в случае возникновения чрезвычайной ситуации.
В режиме 3 гермоклапаны ГК1 и ГК2 перекрываются, открывается клапан ГК12 и обработка воздуха производится в воздушном контуре, показанном на рис. 6, 7. Необходимость выделения отдельного контура определяется тем обстоятельством, что здесь в процессе обработки воздуха может выделяться большое количество теплоты (см. ниже), в связи с чем возникает необходимость не в подогреве, а наоборот, в дополнительном охлаждении. В этом случае спиральный калорифер не используется (в отдельных случаях может возникнуть необходимость в предварительном подогреве, однако, поскольку здесь требуются достаточно высокие температуры, для подогрева используется электрокалорифер – см. ниже). Как и в штатном режиме, воздух первоначально очищается посредством ячейкового фильтра типа ФЯРБ, а затем обрабатывается фильтром-поглотителем ФП-300-2. Этот фильтр-поглотитель предназначен для очистки воздуха от различных вариантов отравляющих веществ, радиоактивной пыли, бактериальных аэрозолей, ядовитых и нейтральных дымов, радионуклидов йода и его органических соединений. В его состав входит противоаэрозольный фильтр, посредством которого воздух очищается от радиоактивной пыли, дыма и бактериальных аэрозолей, а также поглотитель – активный уголь, очищающий воздух от паров отравляющих веществ. До и после фильтра-поглотителя установлены гермоклапаны, которые обеспечивают возможность быстрой замены фильтра при выработке его ресурса (исчерпании фильтрующих свойств).
![]() |
Рисунок 6 (подробнее)
Схема обработки воздуха в режиме 3 |
![]() |
Рисунок 7 (подробнее)
Функциональная схема режима 3 |
При необходимости воздух может быть обработан дополнительно, очищен от оксида углерода (в случае пожара). Для этого воздух может быть направлен в гопкалитовый фильтр-поглотитель ФГ-70-3. Для обеспечения возможности замены два фильтра-поглотителя этого типа устанавливаются параллельно и отсекаются от воздуховода воздушными заслонками (на схеме условно не показаны). Воздух перед подачей в этот фильтр должен быть подогрет до температуры не менее 60 °С, поэтому после фильтра-поглотителя установлен электрокалорифер 1.6. Поскольку в процессе очистки воздух в фильтре в результате химической реакции разогревается до очень высокой температуры (температура воздуха на выходе из фильтра может достигать 300 °С), перед подачей в помещение и даже перед последующей обработкой его необходимо предварительно охладить. Для этих целей используется биметаллический спиральный калорифер КСкЗ-6, на который подается охлажденная вода из системы холодоснабжения.
После очистки воздух посредством вентиляционных агрегатов П102 и П102А, оснащенных приводом с инверторным управлением, подается либо непосредственно в обслуживаемое помещение через гермоклапан ГК15, либо через гермоклапан ГК17 в кондиционер К101, где производится его окончательная обработка.
![]() |
Рисунок 8. Схема обработки воздуха в режиме 4 |
В режиме 4 (рис. 8, 9) предусмотрена работа вентиляции в режиме полной рециркуляции с регенерацией воздуха при превышении предельно допустимых концентраций CO и CO2. В этом режиме предусмотрено разделение внутреннего объема объекта на отдельные зоны, которые в случае возникновения чрезвычайной ситуации герметизируются, например, посредством защитно-герметичных дверей. Цель этого мероприятия – минимизация объема обслуживаемого помещения с целью увеличения продолжительности работы оборудования, обладающего ограниченным ресурсом. В данном случае обработка воздуха производится в регенеративной установке «Устройство-300», включаемой в работу гермоклапанами ГК18 и ГК19. Поскольку в процессе обработки воздух нагревается до достаточно высокой температуры, после регенеративной установки воздух необходимо охладить в калорифере КСкЗ-6. Подача обработанного воздуха и забор воздуха на регенерацию производится только из тех помещений, в которых в этот момент находятся люди. Как приточные, так и рециркуляционные воздуховоды неиспользуемых помещений отсекаются воздушными заслонками.
![]() |
Рисунок 9 (подробнее)
Функциональная схема режима 4 |
Кроме того, в части помещений в штатном режиме подача воздуха не производится. Эти помещения – сан-узлы, технические и подсобные помещения – оборудуются отдельными вытяжными системами, а подача воздуха осуществляется за счет перетока из других помещений. В случае перехода в режим 4 данные помещения герметизируются, вытяжка из них отключается и они, соответственно, не обслуживаются.
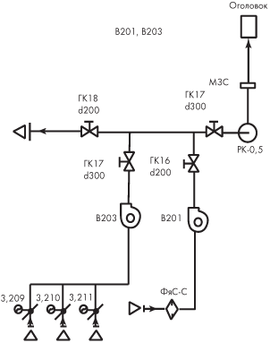
Вытяжная система В203 (рис. 10, 11) включается в работу с целью удаления продуктов горения и фреона после пожара в обслуживаемых помещениях. Загрязнение воздуха фреоном может иметь место в случае аварии холодильной станции и повреждения фреонового контура. Включение системы в работу осуществляется вручную кнопкой включения, расположенной у входа в помещение. Система может работать как в режиме вытяжки, так и в режиме рециркуляции. Для этого система оборудуется гермоклапанами и вентиляционными агрегатами, оснащенными приводами с инверторным управлением. Для очистки рециркуляционного воздуха используется ячейковый складчатый сорбционный фильтр типа ФяС-С. Фильтр этого типа состоит из корпуса, выполненного из оцинкованной стали, внутри которого складками уложен фильтрующий материал. Для предотвращения слипания соседних складок фильтрующего материала между ними проложены гофрированные сепараторы из алюминиевой фольги. Фильтрующий материал состоит из полиэфирных волокон, между которыми внедрены мелкие гранулы активированного угля. Полиэфирные волокна в данной структуре обеспечивают каркасную основу и предотвращают вынос мелких гранул активированного угля из фильтрующего слоя. Данный фильтр обеспечивает удаление из очищаемого воздуха газообразных и паровых загрязнений, которые сорбируются развитой мелкопористой структурой активированного угля.
Для защиты от поражающих факторов при внешнем взрыве на вытяжных воздуховодах непосредственно перед вытяжным устройством устанавливается малогабаритная защитная секция МЗС и расширительная камера РК-0,5.
![]() |
Рисунок 10. Схема одного из блоков вытяж. системы |
![]() |
Рисунок 11 (подробнее)
Схема функционирования одного из блоков вытяжной системы |
Тел. (495) 385-82-72
Статья опубликована в журнале “АВОК” за №1'2007
Статьи по теме
- Системы автоматизации и безопасность здания. Аспекты использования системы автоматизации для обеспечения технологической безопасности зданий
АВОК №8'2006 - Зонное регулирование микроклимата в зданиях многофункционального назначения
АВОК №6'2004 - Системы автоматизации и диспетчеризации высотных жилых комплексов
АВОК №4'2005 - Автоматизация работы насосного оборудования
Сантехника №3'2019 - Энергосбережение и климатология
АВОК №2'2016 - Системы автоматизации и диспетчеризации высотных жилых комплексов
АВОК №5'2005 - ПТК «КРУГ-2000»: инструмент для создания систем диспетчеризации объектов водоканалов
Сантехника №1'2020 - Влияние климата на энергопотребление зданий. Мониторинг данных СП «Строительная климатология»
Энергосбережение №3'2017 - О типологии реальных городских объектов и приоритетах смарт-решений в разных условиях
Энергосбережение №3'2020 - Теплотехнические характеристики ограждающих конструкций зданий. Ч. 1. Европейский подход и метод расчета
Энергосбережение №7'2017
Подписка на журналы
























