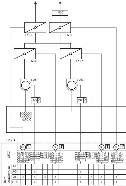
Схема функционирования одного из блоков вытяжной системы

Рисунок 11.

Схема функционирования одного из блоков вытяжной системы