Особенности создания микроклимата в подземных сооружениях в условиях вечномерзлых грунтов
Строительство зданий и сооружений под землей имеет свои особенности, при этом сложности возрастают, когда объект возводится в условиях вечномерзлых грунтов. Это обусловлено особенными свойствами вечномерзлых грунтов, которые следует учитывать при проектировании промышленных и гражданских объектов. Существующие рекомендации в этом направлении ориентированы главным образом на сохранение вечномерзлых грунтов, создание особых условий, препятствующих развитию их протаивания и реградации их физико-механических свойств.
Особенности создания микроклимата в подземных сооружениях в условиях вечномерзлых грунтов
Введение
Строительство зданий и сооружений под землей имеет свои особенности, при этом сложности возрастают, когда объект возводится в условиях вечномерзлых грунтов.
Это обусловлено особенными свойствами вечномерзлых грунтов, которые следует учитывать при проектировании промышленных и гражданских объектов. Существующие рекомендации в этом направлении ориентированы главным образом на сохранение вечномерзлых грунтов [1], создание особых условий, препятствующих развитию их протаивания и реградации их физико-механических свойств [2, 3].
Практическая реализация этих рекомендаций привела к широкому использованию в данных климатических зонах свайных фундаментов [2], проветриваемых подполий и др., позволяющих значительно сократить тепловые протоки от зданий к грунтам, исключая их протаивание.
Вместе с тем необходимость обеспечения безопасности населения в случаях технологических катастроф, соблюдение требований органов по гражданской обороне и чрезвычайным ситуациям придают задаче возведения подземных сооружений, в том числе и в условиях вечномерзлых грунтов, особую специфику.
Имеющийся опыт возведения подобного рода сооружений показывает, что их эксплуатационная надежность и долговечность во многом определяется состоянием микроклимата, техническими средствами его обеспечения, а также увязкой параметров микроклимата с условиями сохранения вечномерзлых грунтов.
Иначе говоря, вопрос о длительности существования подземного сооружения во многом зависит от эксплуатационных и теплотехнических характеристик ограждений и параметров внутреннего воздуха и их согласованности с параметрами грунтов.
Целью настоящей работы является краткий анализ опыта возведения подземных сооружений и технических средств, которые могут быть использованы для обеспечения согласованных условий по микроклимату и состоянию грунтов, позволяющих максимально сохранить помещение.
Подземные сооружения с естественным микроклиматом
По-видимому, хозяйственно-бытовая необходимость была одной из первых причин, побудивших население использовать подземные сооружения с целью сохранения продуктов земледелия и животноводства, в том числе и в условиях Заполярья.
Благодаря Ж. Фурье [4] стало известно, что особые термические свойства подземных сооружений – термостатированный микроклимат – возникают по причине существования определенной глубины внутри грунтового массива, температура на которой сохраняется примерно постоянной даже несмотря на наличие конечного значения теплопроводности слоя.
Физически распределение температур в толще грунта представляет собой нестационарный процесс, обусловленный суточными и годовыми колебаниями температуры поверхности земли и, соответственно, периодическим подводом и отводом тепла от ее поверхности. Поэтому в зависимости от теплофизических характеристик грунта следует ожидать существование глубин, на которых указанные колебания незначительны по сравнению с изменением температуры на поверхности.
![]() |
Рисунок 1. Распределение температур в толще |
Типичное распределение температур в толще грунта для условий Норильска представлено на рис. 1 (для грунтов с коэффициентом температуропроводности а = 4,57 • 10-7 – 1,11 •10-6 м2/с) в зависимости от сезона. Для сравнения сезонные температуры наружного воздуха представлены на рис. 2.
![]() |
Рисунок 2. Среднемесячные температуры наружного воздуха |
Сравнение результатов измерений показывает, что в закономерности распределения температур в толще вечномерзлых грунтов можно выделить по крайней мере две области в зависимости от степени изменения температур. К первой из них можно отнести слой грунта на глубине до 4–5 м, где сезонные колебания температур достигают 1–2 °C и изменяются синхронно с изменением температуры окружающего воздуха. Ко второй области можно отнести слой, расположенный на глубине более 8–10 м, на которой наблюдается режим, более напоминающий стационарный, где изменение температуры составляет 0,1 °C и меньше.
С точки зрения возведения подземного сооружения именно эти глубины являются наиболее подходящими как в плане термостатирования объема (t ~ 0 °C), так и в плане стационарности этого режима.
Поэтому с целью обустройства подземных сооружений для хозяйственно-бытовых нужд в самом примитивном случае подготавливается горизонтальная (иногда с небольшим до 50 уклоном) выработка внутри грунтового массива, как правило, с использованием естественного ландшафта местности. Причем глубина этой выработки определяется требуемой стационарной температурой в ней. В качестве термической изоляции от воздействия внешних тепловых потоков от наружного воздуха используют воздушные камеры, как это показано на рис. 3.
![]() |
Рисунок 3. Схема обустройства подземного хранилища |
Одним из последних примеров обустройства хранилищ подобного рода является хранилище в г. Хатанга, возведенное французской археологической экспедицией для сохранения останков древнего ископаемого животного, на склоне берега реки.
Общей чертой для всех описываемых подземных сооружений является то обстоятельство, что их обустройство не предусматривает специальных мероприятий для обеспечения микроклимата внутри них. Поэтому условно в дальнейшем они называются как сооружения с естественным микроклиматом, температура внутреннего воздуха в которых определяется, главным образом, глубиной от поверхности.
Опыт эксплуатации помещений этого типа позволил установить, что существует по крайней мере два негативных фактора, приводящие в конечном счете, к сокращению срока службы этих сооружений.
Во-первых, температура воздуха внутри подземного хранилища оказывается ниже, чем соответствующая температура грунта на данной глубине. Это обстоятельство приводит к значительному промораживанию поверхности внутри подземного сооружения.
| Таблица 1 Режимы и сроки основного периода хранения овощной продукции |
||||||||||||||||||||||
|
||||||||||||||||||||||
Во-вторых, отсутствие вентиляции приводит к дополнительному вымораживанию влаги на ограждающих конструкциях подземного сооружения, в результате протекания которых вид подземного сооружения подобен показанному на рис. 4.
Как показали исследования, исключение вымораживания влаги внутри хранилища может быть достигнуто за счет применения вентиляции. Однако дополнительные конвективные потоки, возникающие внутри подземного хранилища в связи с использованием вентиляции, уменьшают температурную стабильность микроклимата.
![]() |
Рисунок 4. Вид необитаемого подземного хранилища |
Одной из причин, приводящей к нестабильности микроклимата внутри подземного сооружения, следует считать существенную разницу коэффициентов температуропроводности воздуха 12,7•10-6 м2/с при t = -50 °C и грунта 4,57 • 10-7 – 1,11 • 10-6 м2/с [1]. Это обстоятельство приводит к тому, что температурные возмущения, связанные, например, с сезонным изменением температуры воздуха, распространяются по воздуху внутри хранилища за более короткий отрезок времени, чем по вечномерзлому грунту при прочих равных условиях, увеличивая тем самым температурную нестабильность микроклимата и изменения распределения температур в толще грунта в непосредственной близости от ограждающих конструкций подземного сооружения.
Поэтому устройство системы принудительной вентиляции с учетом длительного обеспечения эксплуатационных свойств подземного сооружения требует детального анализа, связанного с определением допустимой температуры, технических средств, с помощью которых это условие будет обеспечиваться в течение всего периода эксплуатации.
Подземные сооружения с искусственным микроклиматом
Обеспечение долговечности и сохранения эксплуатационных свойств подземных сооружений в условиях вечномерзлых грунтов достигается созданием и управлением соответствующими параметрами микроклимата внутреннего воздуха. На примере систем воздушного отопления решение данной задачи означает ассимиляцию избытков тепла, выделяемого внутри помещения, а также уменьшение влияния сезонного изменения температуры наружного воздуха.
Независимо от конкретного технического решения, очевидно, что искусственное поддержание параметров микроклимата требует энергетических затрат. Поэтому большое значение имеет конкретное назначение данного подземного сооружения, посредством которого указанные энергетические затраты будут покрываться.
Подземные сооружения можно поделить условно на два типа:
1. Необитаемые сооружения – длительность нахождения людей составляет менее 2-х часов за смену, температура воздуха менее 5 °C, относительная влажность 60–90 %.
2. Обитаемые сооружения – длительность нахождения людей – 3 и более часов за смену, температура воздуха более 5 °C, относительная влажность 60 % и менее.
Имеющийся опыт эксплуатации обитаемых подземных сооружений наглядно свидетельствует о том, что использование систем жизнеобеспечения (отопления, вентиляции и др.) в режиме обычного «отопительного сезона» способно привести к серьезным деформациям ограждающих конструкций в течение 5–7 лет эксплуатации. Причем характер деформаций таков, что эксплуатационные свойства этих сооружений оказываются полностью нарушенными.
Воздействие системы жизнеобеспечения в обитаемых подземных сооружениях является подобным дополнительному нестационарному источнику тепловыделения, приводящему к перераспределению температурного поля внутри грунта, даже на тех глубинах, где действие сезонной нестационарной температуры наружного воздуха уже не наблюдается.
Известно [1], что градиент температуры по глубине грунта изменяется в небольших пределах и составляет около 0,02 °C/м. Таким образом, начиная с глубин от 10–15 м и далее обнаруживаются положительные значения температур грунта.
Соответствующий этому градиенту тепловой поток, поступающий из недр, составляет 3,587 • 10-2 Вт/м2 (при теплопроводности грунта 7,274 • 10-2 Вт/м2 • °С).
В то же время тепловой поток, поступающий в грунт от ограждающих конструкций подземного сооружения, достигает 1,06–5,31 Вт/м2, что составляет доминирующую величину в балансе тепла.
Поэтому обеспечение долговечности и сохранности эксплуатационных свойств обитаемых подземных сооружений в условиях вечномерзлых грунтов возможно при соблюдении, по крайней мере, трех основных условий:
1. Увеличение глубины, на которой предполагается расположить сооружение, до уровня, соответствующего положительным температурам в грунте.
2. Обеспечение принудительной вентиляции помещения с рациональной организацией циркуляции, позволяющее сократить теплопритоки от ограждающих конструкций к группам до уровня, который сопоставим с геометрическим градиентом.
3. Использование специальных технических средств термостатирования элементов ограждающих конструкций, позволяющих сохранить естественные направления тепловых потоков в грунтах. В качестве таковых, например, могут быть использованы тепловые насосы или устройства пассивного типа – тепловые трубы.
Очевидно, что все из указанных мероприятий в конечном счете увеличивают капитальную стоимость сооружения и требуют дополнительных эксплуатационных затрат на энергоснабжение объекта. Поэтому вопрос о режиме эксплуатации обитаемого подземного сооружения и о средствах, необходимых на покрытие этих расходов, должен решаться отдельно в каждом конкретном случае.
Обеспечение микроклимата в подземных хранилищах
Особое место в ряду подземных сооружений занимают объекты, предназначенные для хранения сельскохозяйственной продукции. Известно [5, 6], что (несмотря на то, что хранилища относятся к разряду необитаемых объектов) продукция хранения представляет собой объект значительного тепло- и влаговыделения.
В табл. 1 представлены значения параметров микроклимата хранилища, которые, согласно [5], являются оптимальными для длительного хранения продукции.
В табл. 2 приведены значения удельных (отнесенных к единице массы продукции) тепло- и влаговыделений хранимого продукта в зависимости от периодов хранения. Пользуясь этими данными можно показать, что при попытке обеспечить сохранность 100 т, например, картофеля (который займет объем около 153 м3), тепловыделения составляют 1 860 Вт тепла (или 12 Вт/м3). В том случае, если система вентиляции обеспечивает кратность воздухообмена около 10 1/ч, разность температур между приточным и вытяжным потоками воздуха составит около 28 °C.
Поэтому для обеспечения требуемых параметров микроклимата в хранилище необходимо либо снижать температуру приточного воздуха в область отрицательных значений, что, очевидно, негативным образом скажется на процессе сохранения продукта и приведет к нежелательному переохлаждению грунта, либо увеличивать расход приточного воздуха, что связано с увеличением затрат электроэнергии и может привести к высокой цене на продукт в конце периода хранения.
Таким образом, важным является не только определение оптимального расхода энергоресурсов в течение всего периода хранения, но и рациональное распределение воздушных потоков по объему помещения, препятствующее необратимой регрессии грунтов.
![]() |
Рисунок 5. Интенсивность тепловыделений картофеля |
Задачу усложняет тот факт, что с увеличением температуры хранения увеличивается интенсивность биохимических процессов, протекающих в хранимой продукции, а вместе с ними возрастает интенсивность удельных тепловыделений. Обобщение данных различных источников [5, 6] показывает, что увеличение температуры хранения в арифметической прогрессии приводит к возрастанию плотности тепловыделений в геометрической прогрессии (рис. 5). Таким образом, удельная плотность тепловыделений q (Вт/кг) с достаточной степенью точности аппроксимируется выражением:
q = q0 exp (bt), (1)
где q0, b – постоянные, приведенные в табл. 2.
Отметим, что в условиях вечномерзлых грунтов выбор температуры хранения является весьма важным фактором, обеспечивающим в том числе и сохранение эксплуатационных свойств хранилища. Поэтому в процессе эксплуатации следует строго обеспечивать соответствие температуры хранения ее нормативным значениям.
![]() |
Таблица 2. (подробнее) Расчетные значения тепловыделений картофеля, овощей |
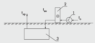
Одним из путей достижения поставленной цели является рациональная организация циркуляции воздуха внутри подземного сооружения (рис. 6, 7). Наружный воздух с температурой t0 нагнетается вентилятором 1 через первую ступень калорифера 2. Задача этого устройства заключается в нагреве приточного воздуха до температуры 0 °C. Согласно рис. 2 в таком режиме система вентиляции в условиях Норильска функционирует с сентября по май, что соответствует периоду хранения около 270 суток.
![]() |
Рисунок 6. Схема циркуляции воздушных потоков в подземном хранилище: |
![]() |
Рисунок 7. Схема приточной вентиляции и распределение 1 – вентилятор; 2 – калорифер первой ступени; 3 – подземное хранилище |
Приточный воздух подается в подземное хранилище через вентиляционную шахту, причем каналы движения приточного воздуха расположены в непосредственной близости от ограждающих конструкций, термостатируя их и отводя тепловой поток от удаляемого воздуха, препятствуя его распространению внутри грунта.
В нижней части хранилища, через которую осуществляется подача приточного воздуха в помещение, установлена вторая ступень калорифера, задачей которой является точное автоматическое регулирование температуры воздуха на уровне 0–1 °C и компенсация тепловых потерь, связанных с оттоком тепла в грунт.
Предлагаемая схема циркуляции воздушных потоков была проверена на модели и показала удовлетворительные результаты, что в сочетании с применением сравнительно недорогого и традиционного оборудования позволит относительно просто решить задачу термостатирования.
Как уже отмечалось выше, важной задачей для эксплуатации подземных сооружений в условиях вечномерзлых грунтов является проблема покрытия эксплуатационных расходов, связанных с созданием и поддержанием микроклимата в сооружении в течение всего периода эксплуатации.
Рассмотренный пример подземного хранилища сельскохозяйственной продукции позволяет сделать конкретные оценки, связанные с изменением стоимости продукции, возникающим в результате неизбежных затрат энергоресурсов.
Существующие в литературе данные позволяют без особого труда оценить удельные энергозатраты, связанные с подогревом приточного воздуха в период с октября по май, исходя из зависимости среднемесячных температур наружного воздуха, представленных на рис. 2.
Полагая, что средняя температура в хранилище будет около 2 °C (повышенное значение выбирается из условий сокращения расхода приточного воздуха), можно найти требуемый удельный расход воздуха:
| g = | G | = | q0 | lхр (btxp) | (2) | |
| M | ср | txp |
где q0, b – постоянные из табл. 2;
ср = 1,005 кДж/кг • °С – теплоемкость воздуха.
Удельное количество тепла, необходимое для подогрева этого объема воздуха в первой ступени калорифера, очевидно, равно:
Q/M = gcp (-t0). (3)
Здесь принято, что конечная температура нагрева приточного воздуха 0 °C, а температура наружного воздуха t0 определяется зависимостью, представленной на рис. 2.
Затраты электрической энергии на привод вентилятора можно оценить на основании экспериментальных данных [6], которые были нами проанализированы и обобщены в виде зависимости:
N/M = (G/M)2,48 • lxp (2,74 lnh + 16,28) , (4)
где h – высота слоя насыпи, м.
Экспериментальные данные, так же как аппроксимация по уравнению (4), полученные для двух значений высот насыпного слоя картофеля h = 1 м и h = 6 м, показаны на рис. 8.
![]() |
Рисунок 8. (подробнее) Удельные энергозатраты на вентиляцию хранилища |
Анализ полученных зависимостей показывает, что возрастание затрат на электроэнергию, связанное с увеличением расхода воздуха, оказывает более существенное влияние на возрастание затрат в целом, т. к. эти затраты увеличиваются пропорционально G2,5, а цена за кВт•ч электроэнергии оказывается всегда выше, чем за эквивалентное количество тепловой энергии.
Поэтому при подборе режима необходимо по возможности уменьшать количество приточного воздуха, а также высоту слоя насыпи h, которая напрямую связана с аэродинамическими потерями.
Принимая в дальнейшем стоимость 1 кВт•ч электрической энергии равной 382 руб., 1 Гкал тепла – 238 руб., можно получить зависимость изменения цены хранимого продукта от длительности хранения. Такая зависимость на примере картофеля представлена на рис. 9.
![]() |
Рисунок 9. Изменение удельной стоимости продукта в процессе хранения |
Для анализа полученной зависимости следует отметить тот факт, что доставка коммерческих грузов, в том числе и продовольствия в районы Заполярья, в указанный период года осуществляется исключительно воздушным транспортом, и в зависимости от компании цена доставки колеблется от 15 до 20 руб. за кг. В этой связи полученная зависимость наглядно свидетельствует о существенной рентабельности технологии хранения по сравнению с регулярным завозом.
Кроме того, из-за метеорологической нестабильности погодных условий перевозимые грузы определенное время (до 1 недели) подвергаются воздействию низких температур в ожидании «летней» погоды. Очевидно, что в эти периоды нет возможности обеспечить сохранность прежде всего сельскохозяйственной продукции, которая в результате приходит в негодность.
В этой связи технологии, связанные с хранением сельскохозяйственной продукции, являются неоспоримо более выгодными, а использование для этих целей подземных сооружений позволяет обеспечить технологию длительного хранения с применением специальных технических средств. При этом материальные затраты, связанные с оборудованием хранилища, которые в условиях средней полосы России могут показаться неоправданно дорогими, в условиях Заполярья оказываются достаточно рентабельными.
Заключение
Проблема возведения подземных сооружений в условиях вечномерзлых грунтов представляет собой сложную многофакторную и многопараметрическую задачу.
Наиболее подходящим критерием, определяющим параметры микроклимата в помещении, а следовательно, и назначение подземного сооружения, следует считать сезонное распределение температур в толще грунта и теплофизические свойства грунта. В этом случае самыми неприспособленными для строительства следует считать глубины, на которых ощущается существенное изменение температур грунта в зависимости от сезона, а наиболее подходящими – области температурной стабилизации.
Важным также является и то обстоятельство, что для подземных сооружений внутренний воздух является главным возмущающим фактором, способным, в частности, существенно изменить распределение температур в грунте, посредством которого внутрь подземного сооружения передаются сезонные колебания температуры окружающей среды.
Несмотря на то, что термическое сопротивление воздушного слоя, по крайней мере, на два порядка ниже, чем у грунтов, значение коэффициента температуропроводности оказывается на порядок большим, по сравнению с грунтами. Поэтому конструкции подземных сооружений и коммуникаций, обеспечивающих их приточным воздухом, должны также гарантировать термическую развязку состояний внутреннего и наружного воздуха.
Системы обеспечения микроклимата подземного сооружения являются одним из существенных факторов, обеспечивающих в том числе, и устойчивость этого сооружения. Однако экономическая сторона вопроса, связанная с покрытием эксплуатационных затрат на систему обеспечения микроклимата подземного сооружения, до настоящего времени является главным сдерживающим фактором, препятствующим широкому распространению этих объектов.
В этом плане наиболее перспективными могут оказаться подземные сооружения, предназначенные для хранения сельскохозяйственной продукции, на примере которых можно накапливать и развивать опыт эксплуатации подземных сооружений в условиях вечномерзлых грунтов. Для этой категории объектов капитальные затраты на создание системы обеспечения микроклимата оказываются наименьшими по сравнению с обитаемыми подземными сооружениями, а покрытие эксплуатационных расходов естественным образом может быть осуществлено за счет незначительного увеличения стоимости продукта. В условиях Заполярья возведение подземных хранилищ для возрождения технологии хранения продуктов вместо их регулярного завоза является в настоящее время достаточно рентабельным, при сохранении действующих цен на энергоносители.
Литература
1. Порхаев Г. В. Тепловое взаимодействие зданий и сооружений с вечномерзлыми грунтами. М.: Наука, 1970.
2. Назарова Л. Г., Полуэктов В. Е., Сорокин А. А. Проектирование гражданских зданий для Крайнего Севера. Л.: Стройиздат, 1984.
3. Лолаев А. Б. Инженерно-геокрилогические проблемы освоения криолитозоны. М.: Изд. РИА, 1998.
4. Тихонов А. Н., Самарский А. А. Уравнения математической физики. М.: Наука, 1977.
5. Волкинд И. Л. Технология хранения картофеля, овощей и плодов. М.: Агропромиздат, 1989.
6. Широков Е. П. Практикум по технологии хранения и переработки плодов и овощей. М.: Агропромиздат, 1985.
Тел.: (3919) 42-1622, 42-1746
Статья опубликована в журнале “АВОК” за №8'2003
Подписка на журналы























