Системы подогрева футбольных полей
Необходимость строительства систем подогрева продиктована насущной потребностью повышения качества футбольных полей в холодные осенне-весенние периоды года, характерные для большинства регионов нашей страны.
Системы подогрева футбольных полей
Вторая половина девяностых годов в России была отмечена интенсивным строительством систем подогрева футбольных полей на стадионах республиканского и областного значения, а в последние годы такие системы появились во многих других населенных пунктах и на тренировочных базах футбольных клубов.
Необходимость строительства систем подогрева продиктована насущной потребностью повышения качества футбольных полей в холодные осенне-весенние периоды года, характерные для большинства регионов нашей страны. Кроме того, появились поля с искусственным покрытием газонов, которые в основном используются в тренировочных целях или для массового футбола. На этих полях системы подогрева особенно нужны, т. к. только они могут круглый год обеспечивать такое состояние газона, при котором возможно проводить нормальный игровой процесс.
![]() |
Фото 1. Стадион «Локомотив» в Саратове |
Научно-инженерный центр «Инвент» разработал более трех десятков проектов систем жидкостного низкотемпературного подогрева газонов с травяным и искусственным покрытием газонов для регионов с различными климатическими условиями (Москва, Санкт-Петербург, Смоленск, Череповец, Ярославль, Ижевск, Саратов, Волгоград, Ростов, Новокузнецк, Екатеринбург, Омск, Томск и др.), а фирма «Интраст» воплотила в жизнь эти проекты, провела наладочные работы и производит сервисное обслуживание. Кроме того, большинство полей оборудовано системами автоматизированного полива и дренажными устройствами, что обеспечивает комплексное решение по подготовке газонов для игр или тренировок.
![]() |
Рисунок 1. Схема футбольного
стадиона, оборудованного системами жидкостного подогрева газона и автоматизированного
полива: |
![]() |
Рисунок 2. Размещение труб подогрева под газоном для натурального поля и поля с искусственным покрытием: а – натуральное поле: 1 – трава; 2 – заменяемый газон; 3 – трубы подогрева; 4 – грунт; 5 – дренаж; а = 150–250 мм; h = 180–230 мм; б – поле с искусственным покрытием: 1 – искусственная трава; 2 – засыпка песком и резиновой крошкой; 3 – щебень с расклинцовкой; 4 – трубы подогрева; 5 – песок; 6 – щебень; 7 – дренаж; 8 – грунт; h1 ~ 30 мм; h2 ~ 150 мм; а = 150–200 мм |
![]() |
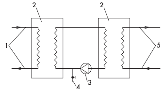
Рисунок 3. Принципиальная
схема теплового пункта и системы подогрева: |
На рис. 1 показана схема футбольного стадиона, оборудованного системами жидкостного подогрева газона и автоматизированного полива. Система подогрева состоит из теплового пункта и трубопроводов подогрева (коллекторов и трубопроводов из полиэтилена), закладываемых под газон футбольного поля. В качестве рабочего теплоносителя принимается водный раствор этиленгликоля, концентрация которого задается от 30 до 42 %, в зависимости от месторасположения стадиона.
В системе жидкостного подогрева размещение труб под газоном определяется видом газона (натуральный или искусственный) и условиями их прокладки. Глубина заложения под газон и расстояние между трубами рассчитывается по конструктивным схемам и характеристикам слоев поля.
На рис. 2 показано размещение труб подогрева под газоном для натурального поля и поля с искусственным покрытием.
Прокладка труб подогрева на действующем натуральном футбольном поле производится путем прорезки луговины и их протяжки специальным самоходным устройством.
Время такой прокладки составляет 4–7 дней (вместе с установкой коллекторов в траншее). Данная технология не нарушает целостности газона и не прерывает календарь футбольных игр. На фото 2 показана прокладка труб подогрева самоходным агрегатом на футбольном поле г. Химки.
![]() |
Фото 2. Прокладка труб подогрева самоходным агрегатом на футбольном поле г. Химки |
Поле с искусственным покрытием обычно строится заново на отведенной площадке и предусматривает укладку специальных слоев из щебня и песка, в которых прокладываются дренажные устройства и трубы подогрева. Эластичность такого поля за счет травы и засыпки находится на уровне натурального поля, а система подогрева может обеспечивать такое состояние круглогодично. На натуральном поле система подогрева лишь продлевает сезон: осенью система подогрева включается при среднесуточной температуре ниже 2 °C и работает до -10 °C, а весной включается за 2–3 недели до начала футбольного сезона и обеспечивает оттаивание и сушку газона и создание благоприятных условий для роста травы. Зимой система подогрева на натуральных полях отключается и газону предоставляется биологический отдых.
![]() |
Фото 3. Коллекторы и подключенные к ним трубы подогрева в процессе их монтажа |
Эффективность системы жидкостного подогрева подтверждает фото 1, сделанное на стадионе «Локомотив» в Саратове при отрицательной температуре наружного воздуха.
Расчет количества теплоты для поддержания заданного температурного режима на поверхности газона (0–2 °C) определяется по формуле:
Q = a•F•(to-tH),
где a – коэффициент теплоотдачи от поверхности газона в окружающую среду;
F – площадь подогреваемого газона;
to – температура на поверхности газона;
tH – расчетная наружная температура.
Кроме того, требуется учитывать потери теплоты вглубь поля, которые составляют 15–20 % от расчетной потребности.
Значения температуры на границе слоев определяются по формуле:
t = to + Q/F•d/l,
где d – толщина слоя;
l – эффективная теплопроводность.
Фактические расчеты значительно сложнее, т. к. коэффициент теплоотдачи зависит от скорости и направления ветра, высоты травы и других факторов, а коэффициент теплопроводности – от влажностного состояния слоев, качества дренажа, толщины слоя снега и льда и т. п.
Приготовление рабочего теплоносителя производится в тепловом пункте, который подключается к тепловым сетям или автономному теплоисточнику (водогрейным газовым котлам или электрокотлам).
На рис. 3 приведена принципиальная схема теплового пункта и системы подогрева. Первичный теплоноситель из тепловых сетей (автономного теплоисточника) проходит через пластинчатый теплообменник и нагревает водный раствор этиленгликоля. Система автоматического регулирования обеспечивает требуемый нагрев по сигналам датчиков в грунте газона. На поверхности газона обеспечивается примерно 0 °C, у труб подогрева на натуральном поле 15–20 °C, на поле с искусственным покрытием 25–35 °C.
![]() |
Рисунок 4. Дополнительный
контур с теплообменником и насосом: |
В том случае, когда тепловые сети работают по открытой схеме, в тепловом пункте требуется установка дополнительного контура с теплообменником и насосом (рис. 4), что вызвано необходимостью защиты системы теплоснабжения от возможного попадания этиленгликоля в воду тепловых сетей. Дополнительный (промежуточный) контур снабжается пробоотборниками, за счет которых достигается постоянный контроль за состоянием оборудования и его герметичностью.
Размещение коллекторов системы подогрева на поле имеет важное значение для обеспечения равномерного прогрева всей площади газона при минимальных затратах на устройство такой системы.
Подача рабочего теплоносителя в коллекторы выполняется таким образом, чтобы обеспечивалось его попутное движение (рис. 5). Это достигается тем, что дополнительно прокладывается транзитная труба подающего коллектора, которая одновременно обеспечивает прогрев крайней зоны поля.
![]() |
Рисунок 5. Подача рабочего
теплоносителя в коллекторы: |
Коллекторы могут быть расположены с одного из торцов поля (рис. 5а) или вдоль его длинной стороны (рис. 5б). Учитывая, что стандартное поле имеет размеры 70 х 110 м, к коллекторам, проложенным вдоль длинной стороны, можно подключить петли труб подогрева общей длиной каждой не более 140 м, в то время как от торца длина петли возрастает до 220 м. Обеспечивая заданный перепад температур рабочего теплоносителя и требуемую поверхность нагрева труб, короткие петли потребуется прокладывать меньшего диаметра и чаще, чем при длинных петлях. Кроме того, перерасход труб на коллекторы, устройство длинной траншеи и затрудненность при совмещении с дренажной системой, предопределяет выбор размещения коллекторов с одного из торцов поля.
На фото 3 представлены коллекторы и подключенные к ним трубы подогрева в процессе их монтажа.
Система подогрева заполняется раствором этиленгликоля при наружной температуре не ниже 5 °C. Подача раствора производится насосом из передвижной цистерны и выполняется таким образом, чтобы обеспечить устойчивое вытеснение воздуха из труб подогрева через штуцер у теплообменника в тепловом пункте. Заполнение ведется в течение двух суток импульсной подачей раствора. Контрольные проверки подачи производятся после каждой 1/5 заполняемого объема. Общим контролем является заполнение всего расчетного объема
рабочего контура. После этого включается рабочий насос и проверяется циркуляция в контуре. Периодически он отключается и производится выпуск воздуха, вытесняемого из системы.
В рабочем режиме работы системы подогрева производится автоматическое регулирование температуры рабочего теплоносителя посредством прибора ECL Comfort 200 (c пластиковой картой Р 30), который управляет тарельчатым двухходовым клапаном VF-2 с электроприводом (фирмы «Данфосс»). При повышении температуры грунта больше заданной величины (определяется расчетом и при наладке) клапан начинает закрываться, сокращая подачу первичного теплоносителя (из тепловых сетей или автономной котельной). Настройка, установка параметров регулирования производится в соответствии с инструкцией фирмы «Данфосс» к регулятору.
| Таблица 1 Технические данные по некоторым системам подогрева |
||||||||||||||||||||||||||||||||||||||||||||||||||||||||||||||||||||||||||||
|
||||||||||||||||||||||||||||||||||||||||||||||||||||||||||||||||||||||||||||
В табл. 1 приведены технические данные по некоторым системам подогрева, которые отражают зависимость тепловой нагрузки и расхода материалов от местоположения подогреваемого газона.
Искусственное покрытие газонов в основном делается на тренировочных полях. Данные по системам подогрева таких полей приведены в табл. 2.
![]() |
Таблица 2. (подробнее) Системы подогрева тренировочных полей с искусственным покрытием газона |
Экологическая безопасность при эксплуатации системы жидкостного подогрева с использованием водного раствора этиленгликоля достигается тем, что при возникновении аварийной утечки насос подачи рабочего теплоносителя автоматически останавливается. Такая утечка обнаруживается падением давления в рабочем контуре за счет срабатывания реле давления и размыкания контактов магнитного пускателя рабочего насоса. Для предотвращения выливания раствора этиленгликоля в грунт включается аварийный насос, перекачивающий этот раствор в аварийные баки, установленные в тепловом пункте или на площадке рядом с ним. После устранения аварии раствор из баков перекачивается этим же насосом в систему подогрева.
Система жидкостного подогрева футбольных полей имеет существенные преимущества перед другими системами (например, электроподогревом), т. к. температура рабочего теплоносителя небольшая, что создает наиболее благоприятные температурные условия для корневой системы натуральных полей, а для любого газона она позволяет обеспечить заданную температуру и ее точную регулировку в зависимости от наружных условий.
Тел. (8442) 76-4058
Статья опубликована в журнале “АВОК” за №7'2003
Подписка на журналы






















