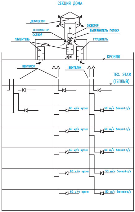
Принципиальная схема вентиляции квартир жилого дома (вентиляционная камера с одним дефлектором)

Рисунок 4.

Принципиальная схема вентиляции квартир жилого дома (вентиляционная камера с одним дефлектором)